
標準規范:
設計制造標準:GB/T 12235
結構長度標準:GB/T 12221-2005
連接法蘭標準:GB/T 9113
壓力溫度等級:GB/T 12224-2005
試驗檢驗標準:GB/T 13927-2008
結構特點:
1、結構先進、密封可靠、性能優良、造型美觀。提高了閥桿的鋼度,顯著降低了噪音和振動,提高了閥門的使用壽命與各項性能。
2、典昭的截止閥可以安裝在管道的任何位置上,介質從下往上流。
3、8寸以上采用先進的多密封,雙支架,采用導向運動(能極大提高抗水錘沖擊)、介質從上方進入,較好解決了大口徑截止閥啟閉力矩大,密封無法關嚴,填料室跑冒,有力提高了閥門各項性能與使用范圍。(“關”的力矩是普通閥門的10%“開”的力矩是普通閥門的3%)。
4、不銹鋼截止閥適用于各類腐蝕性介質的管道上,有良好的防腐蝕性和足夠的強度。
5、合金鋼截止閥適用于耐高溫的蒸汽、油品管道上,具有耐高溫特點。
J41W-16P不銹鋼法蘭截止閥適用于各類腐蝕性介質的管道上,有良好的防腐性、足夠的強度。 合金鋼截止閥適用于耐高溫的蒸汽、油品管道上,具有耐高溫特點。
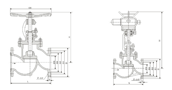
結構尺寸:


應用范圍:
J41W不銹鋼截止閥主要材質為:CF8、CF3、CF8M、CF3M 、2520、雙相不銹鋼、G1Cr18Ni9Ti、ZG1Cr18Ni12Mo2Ti等。產品主要應用于石化、化工、電力、冶金、醫藥、食品等行業。



