我公司是一家專業銷售,維修西門子工業自動化產品,團隊成立十幾年,憑借高超的技術和專業的服務!一致得到客戶的好評!歡迎來電質詢高品質西門子產品!
歡迎來電質詢高品質西門子自動化產品;
聯系人 : 瞿章明(銷售工程師)
聯系電話: :132 1743 0013 (24小時服務)
商務QQ :275 0130 146
微信 :132 1743 0013
地址( Add ) :上海市松江區海立華亭5幢
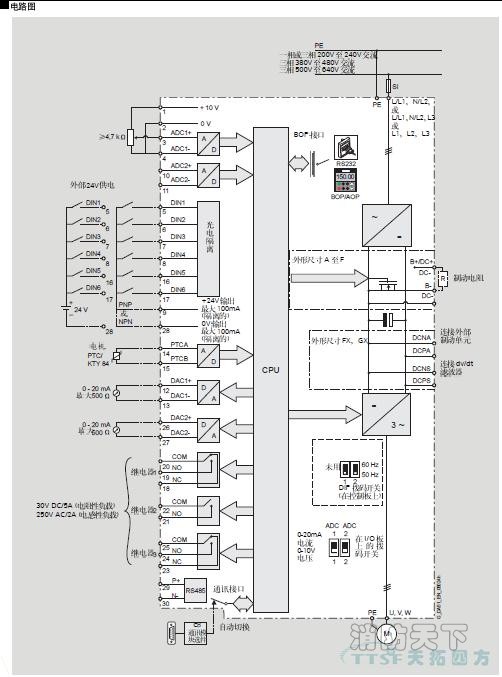
MICROMASTER 440 通用型變頻器
MICROMASTER 440 是用于控制三相交流電動機速度的變頻器系列本系列有多種型號額定功率范圍從120W 到200kW ,恒定轉矩CT 控制方式或者可達250kW 可變轉矩VT控制方式供用戶選用。
本變頻器由微處理器控制并采用具有現代先進技術水平的絕緣柵雙極型晶體管IGBT 作為功率輸出器件,因此它們具有很高的運行可靠性和功能的多樣性,其脈沖寬度調制的開關頻率是可選的因而降低了電動機運行的噪聲全面而完善的保護功能為變頻器和電動機提供了良好的保護。
MICROMASTER 440 具有缺省的工廠設置參數,它是給數量眾多的簡單的電動機控制系統供電的理想變頻驅動裝置,由于MICROMASTER 440 具有全面而完善的控制功能,在設置相關參數以后它也可用于更優質的電動機控制系統MICROMASTER 440 既可用于單機驅動系統也可集成到自動化系統中。
特點
主要特性
????易于安裝參數設置和調試
????易于調試
????牢固的EMC 設計
????可由IT 中性點不接地電源供電
????對控制信號的響應是快速和可重復的
????參數設置的范圍很廣確保它可對廣泛的應用對象進行配置
????電纜連接簡便
????具有多個繼電器輸出
????具有多個模擬量輸出0 - 20mA
????6 個帶隔離的數字輸入并可切換為NPN/PNP 接線
????2 個模擬輸入
??AIN1 0 - 10 V 0 - 20mA 和-10 至 +10 V
??AIN2 0 - 10 V 0 - 20mA
????2 個模擬輸入可以作為第7 和第8 個數字輸入
????BiCo 二進制互聯連接技術
????模塊化設計配置非常靈活
????脈寬調制的頻率高因而電動機運行的噪音低
????詳細的變頻器狀態信息和全面的信息功能
????有多種可選件供用戶選用用于與PC 通訊的通訊模塊基本操作面板BOP 優質操作面板AOP 用于進行現場總線通訊的PROFIBUS 通訊模塊概況MICROMASTER 440 使用大全 1-3
性能特征
?? 矢量控制
??無傳感器矢量控制SLVC
??帶編碼器的矢量控制VC
?? V/f 控制
??磁通電流控制FCC 改善了動態響應和電動機的控制特性
??多點V/f 特性
?? 快速電流限制 FCL 功能避免運行中不應有的跳閘
?? 內置的直流注入制動
?? 復合制動功能改善了制動特性
?? 內置的制動單元 僅限外形尺寸為A 至F 的MM440 變頻器
?? 加速/減速斜坡特性具有可編程的平滑功能
??起始和結束段帶平滑圓弧
??起始和結束段不帶平滑圓弧
?? 具有比例 積分和微分PID 控制功能的閉環控制
?? 各組參數的設定值可以相互切換
??電動機數據組DDS
??命令數據組和設定值信號源CDS
?? 自由功能塊
?? 動力制動的緩沖功能
?? 定位控制的斜坡下降曲線
保護特性
過電壓/欠電壓保護
變頻器過熱保護
接地故障保護
短路保護
I2t 電動機過熱保護
PTC/KTY 電動機保護。



