上海非俗工控自動化設備有限公司
(西門子代理商)
聯系人 :瞿章明( 銷售工程師 )
24小時服務熱線 :132 1743 0013
商務QQ :2750 130 146
微信 :132 1743 0013
地址( Add ) :上海市松江區海立華亭5幢
我公司只銷售西門子原裝正品,假一罰十,享受西門子免費質保一年(部分產品可換新)
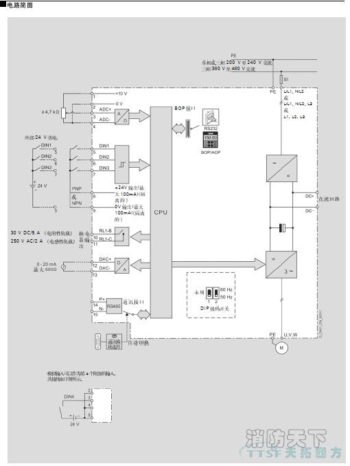
MICROMASTER 420 變頻器
MICROMASTER 420 變頻器適合用于各種變頻驅動裝置,尤其適用于水泵、風機和傳送帶系統的驅動裝置。它的特點是設備性能面向用戶的需求,并且使用方便。它的電源電壓規格很多,因而可在世界范圍內應用。
MICROMASTER420 是用于控制三相交流電動機速度的變頻器系列。本系列有多種型號,從單相電源電壓,額定功率120W 到三相電源電壓,額定功率11KW 可供用戶選用。本變頻器由微處理器控制,并采用具有現代先進技術水平的絕緣柵雙極型晶體管(IGBT)作為功率輸出器件。因此,它們具有很高的運行可靠性和功能的多樣性。其脈沖寬度調制的開關頻率是可選的,因而降低了電動機運行的噪聲。全面而完善的保護功能為變頻器和電動機提供了良好的保護。MICROMASTER420 具有缺省的工廠設置參數,它是給數量眾多的簡單的電動機控制系統供電的理想變頻驅動裝置。由于MICROMASTER420 具有全面而完善的控制功能,在設置相關參數以后,它也可用于更優質的電動機控制系統。MICROMASTER 420 既可用于單機驅動系統,也可集成到‘自動化系統’中。
特點
主要特性
?? 易于安裝
?? 易于調試
?? 牢固的EMC 設計
?? 可由IT(中性點不接地)電源供電
?? 對控制信號的響應是快速和可重復的
?? 參數設置的范圍很廣,確保它可對廣泛的應用對象進行配置
?? 電纜連接簡便
?? 采用模塊化設計,配置非常靈活
?? 脈寬調制的頻率高,因而電動機運行的噪音低
?? 詳細的變頻器狀態信息和信息集成功能
?? 有多種可選件供用戶選用:用于與PC 通訊的通訊模塊,基本操作面板(BOP),優質操作面板(AOP),用于進行現場總線通訊的PROFIBUS 通訊模塊
性能特征
?? 磁通電流控制(FCC),改善了動態響應和電動機的控制特性
?? 快速電流限制(FCL)功能,實現正常狀態下的無跳閘運行
?? 內置的直流注入制動
?? 復合制動功能改善了制動特性
?? 加速/減速斜坡特性具有可編程的平滑功能
?? 具有比例,積分(PI)控制功能的閉環控制
?? 多點V/f 特性
保護特性
?? 過電壓/欠電壓保護
?? 變頻器過熱保護
?? 接地故障保護
?? 短路保護
?? I2t 電動機過熱保護
?? PTC 電動機保護


