鍛鋼截止閥可廣泛用于自來水、污水、建筑、石油、化工、食品、醫藥、輕紡、電力、船舶、冶金、能源系統等體管線上作為截流裝置使用。
全徑或縮徑
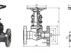
明桿支架式
自定心壓板壓套式
螺栓連接、纏繞墊片密封式閥蓋;螺紋連接、全焊密封式閥蓋以及螺紋連接內壓自緊式閥蓋
整體式上密封座
閥瓣可變換為節流型、針型、球型和止回閥。
鍛鋼截止閥結構特點:
鍛鋼截止閥有三種閥蓋設計形式。第一種是螺栓式閥蓋,按這種設計形式設計的閥門,其閥體與閥蓋用螺栓螺母連接,纏繞式墊片 (316夾柔性石墨制造)密封。客戶有特殊要求時也可采用金屬環連接。第二種設計形式是焊接式閥蓋,按這種設計形式的閥門,其閥體與閥蓋用螺紋連接,全焊密封。客戶有特殊要求時也可采用全焊接連接。第三種是壓力自緊式閥蓋,按這種設計形式設計的閥門,其閥體與閥蓋用螺紋連接,內壓自密封環密封。
鍛鋼截止閥標準規范:
設計制造標準:GB/T12235、APl602、BS5352、ASME B16.34。
結構長度標準:GB/T 12221-2005
連接端標準:承插端符合ASME B16.11,螺紋端符合ASME B1.20.1
壓力溫度等級:GB/T 12224-2005
試驗檢驗標準:GB/T 13927-2008、APl598
鍛鋼截止閥零件材料與工況:
| 序號 | 零件名稱 | CStoASTM | AStoASTM | SS toASTM | |
| TypeAl05 | TypeAl82F22 | TypeAl82 F304 | TypeAl82 F316(L) | ||
| l | 閥體 | A105 | A182F22 | A182 F304(L) | A182 F316fLl |
| 2 | 閥瓣 | A276420 | A276 304 | A276 304fLl | A276 316fLl |
| 3 | 閥桿 | A182 F6 | A182 F304 | A182 F304(L) | A182 F316fLl |
| 4 | 密封座 | A105 | A182F304 | A1 82 F304(L1 | A182 F316fLl |
| 5 | 密封環 | A182 F304L | A182 F316fLl | ||
| 6 | 閥蓋 | A105 | A182F22 | A182F 304fL) | A182 F 316fLl |
| 7 | 圓柱銷 | A276 420 | |||
| 8 | 墊圈 | A105 | A182 F22 | A182 F304(L) A182 F316(L) | |
| 9 | 提升螺母 | A1942H | A194 4 | A194 8 A194 8M | |
| 10 | 填料 | 柔性石墨 | SS+PTFE | ||
| 11 | 填料壓套 | A276 420 | A182 F304 | ||
| 12 | 填料壓板 | A216 WCB | A35l CF8 | ||
| 13 | 活節螺栓 | A19387 | A193816 | A19388 |
A19388M |
| 14 | 螺母 | A194 2H | A194 4 | A194 8 |
A194 8M |
| l5 | 閥桿螺母 | A276—410 | |||
| l6 | 手輪 | A197 | |||
| l7 | 銘牌 | SS | |||
| 18 | 螺母 | A194 2H | A194 4 | A194 8 |
A194 8M |
| 適用介質 | 水、蒸汽、油品等 | 水、蒸汽、油品等 | 硝酸、醋酸等 | ||
| 適用溫度 | -29℃~425℃ | -29℃~550℃ | -29℃~180℃ | ||


