產品名稱:法蘭三通球閥
產品型號:Q44F
|
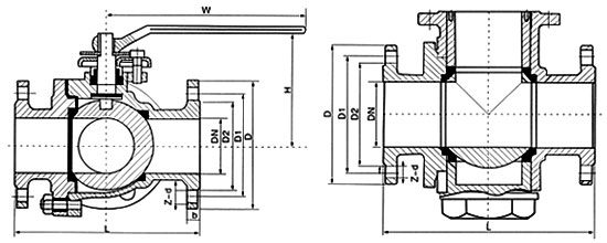
一、產品特點: 法蘭連接三通球閥,連接三通球閥,法蘭三通球閥產品特點①、兩閥座密封三通球閥結構緊湊、外型美觀、密封性能好。也能實現管道中介流向的切換。也能使阻互垂直的兩個通道連通或關閉。②、四閥座密封三通球閥造型美觀,結構緊湊合理,它不僅可實現介質流向的切換,也可使三個通道相互連通,同時也可關閉任一通道,使另外一通道連通,靈活控制管路中介質的合流或分流。
二、主要零件材料:
備注:三通球閥一般采用兩閥座結構,如流向圖A所示兩種工況。選用兩面閥座L型結構(即Q44型)。流向B中①和④兩種工況亦可選用兩閥座T型結構(即Q45型)。流向圖B②和③兩種工況必須選用四閥認T型結構(即Q45型)。其余工況也可以先用四閥座結構,但在訂貨合同中注明閥座結構。如閥門有其它要求請參閱樣本《閥門的型號編制方法》填寰相應的要求代號。 三、主要性能范圍:
|
||||||||||||||||||||||||||||||||||||||||||||||||||||||||||||||||




