“ 施工用電”
臨時用電
組織設計的編制、審核批準手續不全
日常現象:
《臨時用電組織設計》的編制、審核、批準程序不全。組織設計的內容不全,針對性、操作性不強,設計計算錯誤。
防治措施:施工現場臨時用電安全技術規范中要求施工現場應符合下列規定:
-
臨時用電組織設計及變更時,必須履行“編制、審核、批準”程序,由電氣工程技術人員組織編制,經相關部門審核及具有法人資格企業的技術負責人批準后實施。變更用電組織設計時補充有關圖紙資料。
1、臨時用電專項施工方案的編制、審核、批準
施工組織設計
用電組織設計無相關圖示
日常現象:
-
無用電工程總平面圖;
-
無配電裝置布置圖;
-
無配電系統接線圖;
-
無接地裝置設計圖。
防治措施:施工現場臨時用電安全技術規范中要求施工現場應符合下列規定:
-
施工現場臨時用電組織設計應包括:繪制臨時用電工程圖紙, 主要包括用電工程總平面圖,主要包括用電工程總平面圖、配電裝置布置圖、配電系統接線圖、接地裝置設計圖。
1、施工用電平面圖
2、配電裝置布置圖
3、配電系統接線圖
4、接地裝置設計圖
外電防護
外電線路防護風險
日常現象:
外電線路安全距離不足, 未采取防護措施和懸掛警告標志
防治措施:施工現場臨時用電安全技術規范中要求施工現場應符合下列規定:
-
當達不到本 規范第4.1.2-4.1.4 條中的規定時,必須采取絕緣隔離防護措施,并應懸掛醒目的警告標志。
-
架設防護設施時,必須經過有關部門批準,采用線路暫時停電或其他可靠的安全技術措施,并應有電氣工程技術人員和專職安全人員監護。
-
防護設施與外電線路之間的安全距離不應小于右表所列數值。防護設施應堅固、穩定,且對外電線路的隔離防護應達到 IP30 級。
1、設置防護措施,懸掛警告標志案例

在建工程與外電架空線路防護風險
日常現象:
在建工程(含腳手架)的周邊與外電架空線路之間的距離不符合規范要求
防治措施:施工現場臨時用電安全技術規范中要求施工現場應符合下列規定:
-
在建工程(含腳手架)的周邊與外電架空線路的邊線之間的最小安全操作距離應符合下表規定。
1、設置安全距離案例
開挖溝槽外電防護風險
日常現象:
開挖溝槽邊緣與外電埋地電纜溝槽邊緣之間的距離不足
防治措施:施工現場臨時用電安全技術規范中要求施工現場應符合下列規定:
-
施工現場開挖溝槽邊緣與外電埋地電纜溝槽邊緣之間的距離不得小于 0.5m。
1、設置安全距離案例
外電架空線路離地安全風險
日常現象:
外電架空線路最低點至路面凈距不符合規范要求

防治措施:施工現場臨時用電安全技術規范中要求施工現場應符合下列規定:
-
施工現場的機動車道與外電架空線路交叉時,架空線路的最低與路面的最小垂直距離應符合下表規定。

1、安全距離案例
起重機外電防護風險
日常現象:
起重機越過無防護措施的外電架空線路作業

防治措施:施工現場臨時用電安全技術規范中要求施工現場應符合下列規定:
-
起重機嚴禁越過無防護設施的外電架空線路作業。在外電架空線路附近吊裝時,起重機的任何部位或被吊物邊緣在最大偏斜時與架空線路邊線的最小安全距離應符合右表規定。
1、安全距離案例
接地與接零保護系統
專用變壓器供電時的接線錯誤
日常現象:
專用變壓器供電時,TN-S 接零保護系統接線錯誤
防治措施:施工現場臨時用電安全技術規范中要求施工現場應符合下列規定:
-
在施工現場專用變壓器的供電的 TN-S 接零保護系統中,電氣設備的金屬外殼必須與保護接零連接。保護零線應由工作接地線、配電室(總配電箱)電源側零線或總漏電保護器電源側零線處引出。
1、安全接線案例圖
三相四線供電時的接線錯誤
日常現象:
三相四線供電 時 局 部TN-S 接零保護系統接線錯誤

防治措施:施工現場臨時用電安全技術規范中要求施工現場應符合下列規定:
-
當施工現場與外電線路共用同一供電系統時,電氣設備的接地、接零保護應與原系統保持一致。不得一部分設備做保護接零,另一部分設備做保護接地。
-
采用 TN 系統做保護接零時,工作零線(N 線)必須通過總漏電保護器, 保護零線(PE 線)必須由電源進線零線重復接地處或總漏電保護器電源側零線處,引出形成局部 TN-S 接零保護系統。
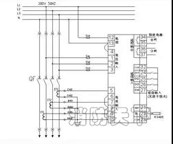
1、三相四線供電時局部 TN-S 接零保護系統保護零線引出示意圖
1-NPE 線重復接地;2-PE 線重復接地;L1、L2、L3-相線;N-工作零線;PE-保護零線;DK-總電源隔離開關;RCD-總漏電保護器(兼有短路、過載、漏電保護功能的漏電斷路器)。
接地線安全風險
日常現象:
專用變壓器供電時,TN-S 接零保護系統接線錯誤
防治措施:應采用雙色絕緣多股銅芯線,截面面積由設計決定
1、接地線安全風險
用電設備安全風險
日常現象:
用電設備金屬外殼未做接零保護
防治措施:施工現場臨時用電安全技術規范中要求施工現場應符合下列規定:
-
在施工現場專用變壓器的供電的 TN-S 接零保護系統中,電氣設備的外殼必須與保護零線連接。保護零線應由工作接地線、配電室(總配電箱)電源側零線或總漏電保護器電源側零線處引出。
1、接零保護案例
電機保護安全風險
日常現象:
電機保護零線接線錯誤
防治措施:施工現場臨時用電安全技術規范中要求施工現場應符合下列規定:
-
在施工現場專用變壓器的供電的 TN-S 接零保護系統中,電氣設備的金屬外殼必須與保護零線連接。保護零線應由工作接地線、配電室(總配電箱)電源側零線或總漏電保護器電源側零線處引出。
1、接線正確案例
防雷接地機械上的電氣設備安全風險
日常現象:
做防雷接地機械上的電氣設備,所連接的 PE 線未同時做重復接地
防治措施:施工現場臨時用電安全技術規范中要求施工現場應符合下列規定:
-
做防雷接地機械上的電氣設備,所連接的 PE 線必須同時做重復接地,同一臺機械電氣設備的重復接地和機械的防雷接地可用同一接地體,但接地電阻應符合重復接地電阻值的要求。
-
塔式起重機、外用電梯、滑升模板的金屬操作平臺及需要設置避雷裝置的物料提升機,除應連接 PE 線外,還應做重復接地。設備的金屬結構構件之間應保證電氣連接。
1、正確案例
配電線路安全風險
日常現象:
配電線路中的 PE 線重復接地少于3 處,未在配電系統的中間處做重復接地或保護零線重復接地裝置的接地電阻值超過規定允許值。

防治措施:施工現場臨時用電安全技術規范中要求施工現場應符合下列規定:
-
系統中的保護零線除必須在配電室或總配電箱處做重復接地外,還必須在配電系統的中間處和末端處做重復接地。
-
在 TN 系統中,保護零線每一處重復接地裝置的接地電阻值不應大于10Ω。在工作接地電阻值允許達到 10 Ω的電力系統中,所有重復接地的等效電阻值不應大于 10Ω。
1、安全接線案例圖
我們是誰? ●●
領筑云是國內專業垂直的工程產業互聯網服務品牌,由領筑(深圳)互聯技術有限公司傾力打造,懷揣著讓工程更簡單的使命感,推進工程產業轉型升級,鑄就新時代的工程生態圈。
領筑云以工程全生命周期管理為核心,運用互聯網、物聯網、大數據等技術,幫全國十萬級工程公司和百萬級商務經理,解決項目管理難、用工管理難、項目找人難、預算控制難、經營合規難、承包服務難、資金引入難、風險控制難等問題,讓客戶專注項目開拓,推動產業升級。
領筑云把“開放、創新、責任、共贏”作為發展的重要基石,全面整合產業資源與生態能力,推出了具有自主核心技術的領筑電商、領筑工程云、領筑維保saas、領筑施工隊等系列產品,聚焦構筑新時代的工程產業生態圈,持續為產業和用戶創造價值。





