|
公司基本資料信息
|
|||||||||||||||||||||||||||
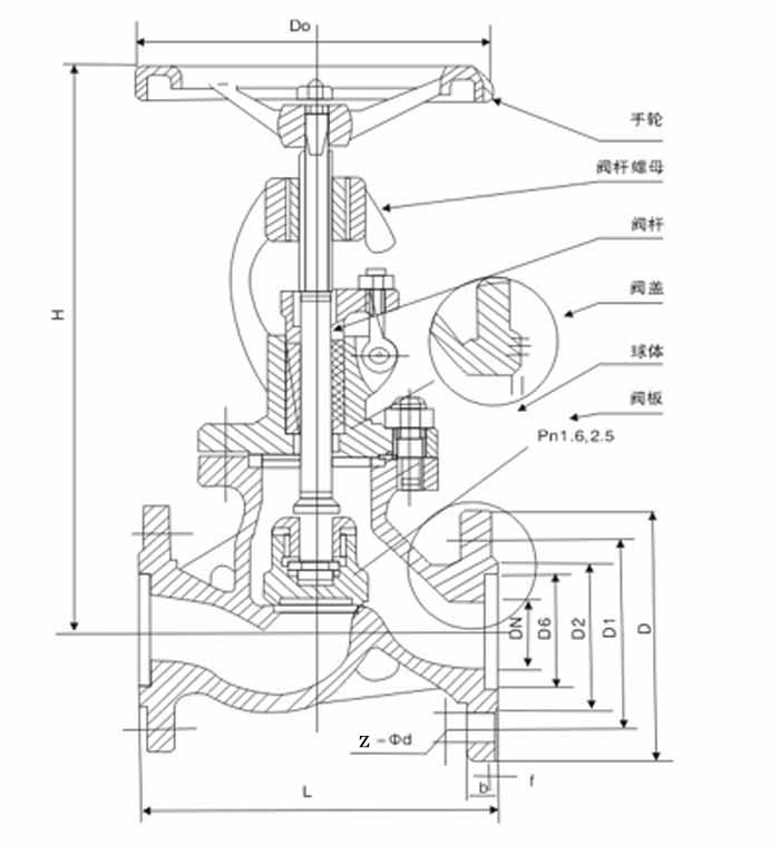
1、設計制造造GB12235-89
2、結構長度按GB12221-89
3、法蘭尺寸按JB/T79-94
4、閥門檢查和試驗按GB13927

J41H-16C鑄鋼法蘭截止閥性能規范:
| 型號 | 公稱壓力 (MPa) |
實驗壓力 | 工作溫度(℃) | 適用介質 | ||
| 強度水(MPa) | 密封(水)空氣(MPa) | 低壓密封空氣(MPa) | ||||
| J41W-16P(R) |
1.6 | 2.4 | 1.8 | 0.6 | ≤200 | 消酸類 |
| J41W-25P(R) | 2.5 | 3.8 | 2.8 | 0.6 | ≤200 | 醋酸類 |
| J41W-40P(R) | 4.0 | 6.0 | 4.4 | 0.6 | ≤200 | 消酸類 |
| J41W-60P(R) | 6.4 | 9.6 | 7.0 | 0.6 | ≤200 | 醋酸類 |
J41H-16C鑄鋼法蘭截止閥主要零件材質:
| 零件名稱 | ZGICr18 Ni9Ti | ZG00Cr18 Ni10 | ZG1Cr18 Ni12M02Ti | ZG00Cr17Ni14M02 | WCB |
| 閥體/閥蓋 | ZGICr18 Ni9Ti | ZG00Cr18 Ni10 | ZG1Cr18 Ni12M0 2 Ti | ZG00Cr17Ni14M0 2 | WCB |
| 閘板 | ZGICr18 Ni9Ti | ZG00Cr18 Ni10 | ZG1Cr18 Ni12M0 2 Ti | ZG00Cr17Ni14M0 2 | 1Cr13 |
| 閥桿 | 1Cr18 Ni9Ti | 00Cr18 Ni10 | 1Cr18 Ni12M0 2 Ti | 00Cr17Ni14M0 2 | 1Cr13 |
| 填料 | PTFE編織 | PTFE編織 | PTFE編織 | PTFE編織 | 石墨 |
| 墊片 | 304+PTFE | 304L+PTFE | 316+PTFE | 316L+PTFE | 石墨+304 |
| 壓蓋 | ZGICr18 Ni9Ti | ZG00Cr18 Ni10 | ZG1Cr18 Ni12M0 2 Ti | ZG00Cr17Ni14M0 2 系列 | WCB |
| 填料壓環 | 1Cr18 Ni9Ti | 00Cr18 Ni10 | 1Cr18 Ni12M0 2 Ti | 00Cr17Ni14M0 2 | 1Cr13 |
| 螺栓 | 1Cr17Ni2 | 1Cr17Ni2 | 1Cr17Ni2 | 1Cr17Ni2 | 35CrMoA |
| 螺母 | 1Cr18 Ni9Ti | 1Cr18 Ni9Ti | 1Cr18 Ni9Ti | 1Cr18 Ni9Ti | 45 |
J41H-16C鑄鋼法蘭截止閥1.6MPa主要連接尺寸:
| 尺寸 | DN | 15 | 20 | 25 | 32 | 40 | 50 | 65 | 80 | 100 | 125 | 150 | 200 | 250 | 300 | 350 | 400 |
| L | mm | 130 | 150 | 160 | 180 | 200 | 230 | 290 | 310 | 350 | 400 | 480 | 600 | 650 | 750 | 850 | 950 |
| H | mm | 200 | 243 | 253 | 280 | 312 | 321 | 325 | 355 | 415 | 460 | 510 | 700 | 975 | 1115 | 1250 | 1380 |
| W | mm | 120 | 140 | 160 | 160 | 200 | 200 | 240 | 240 | 280 | 320 | 360 | 560 | 600 | 700 | 800 | 900 |
訂貨須知: