|
公司基本資料信息
|
|||||||||||||||||||||||||||
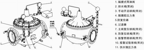
ZSFM型隔膜式雨淋報警閥主閥采用隔膜將主閥分為上下兩腔,上腔為控制腔。利用上下腔面積差產生水壓差實現主閥密封。
未失火時,上腔和下腔充滿水,由壓力差和彈簧,活塞部件的重力達到密封。
壓力表10顯示供水側壓力,壓力表4顯示隔膜腔壓力,當側壓力相同時,主閥為關閉狀態。
失火時,有兩種控制方式開啟主閥;
電控開啟?;馂奶綔y器(感光、感溫、感煙探測器)發出火災信號,消防控制中心打開電磁閥,從而開啟主閥滅火。
手動控制。發生火災時現場手動打開手動球閥開啟主閥滅火。主閥開啟后,壓力進入壓力開關和水力警鈴,水力警鈴發出聲音報警,壓力開關向控制中心發出信號開啟消防泵。
隔膜雨淋報警閥具有防復位結構,主閥開啟后,防復位器啟動,防止誤操作使主閥關閉。

歡迎你的來電選購,我公司能給以提供更多資料!