產品介紹
進口氣動套筒調節閥是由氣動多彈簧薄膜執行機構和套筒閥組成,套筒閥由于閥芯采用了套筒平衡式結構的因而閥桿上不平衡力很小,穩定性好,適用于閥兩端壓差較高的場合。由于閥芯凹于套筒的側導向,受渦流沖擊所產生的振動被減弱。故具有噪音低、空化作用小、壽命長等
產品詳情
德國萊克LIK品牌,進口氣動套筒調節閥是由氣動多彈簧薄膜執行機構和套筒閥組成,套筒閥由于閥芯采用了套筒平衡式結構的因而閥桿上不平衡力很小,穩定性好,適用于閥兩端壓差較高的場合。由于閥芯凹于套筒的側導向,受渦流沖擊所產生的振動被減弱。故具有噪音低、空化作用小、壽命長等優點。廣泛應用與精確控制氣體、液體等介質,工藝參數如壓力、流量、溫度、液位保持在給定值。特別適用于流量大、壓差大、泄漏量要求不高的場合。
進口氣動套筒調節閥 技術參數
| 公稱通徑(DN) |
20 |
25 |
32 |
40 |
50 |
65 |
80 |
100 |
125 |
150 |
200 |
250 |
300 |
| 閥座直徑(dn) |
20 |
25 |
32 |
40 |
50 |
65 |
80 |
100 |
125 |
150 |
200 |
250 |
300 |
| 額定流量系數(KV) |
直線 |
10 |
11 |
17.6 |
27.5 |
44 |
69 |
110 |
176 |
275 |
440 |
630 |
1000 |
1600 |
| 等百分 |
6.3 |
10 |
16 |
25 |
40 |
63 |
100 |
155 |
250 |
370 |
580 |
900 |
1300 |
| 允許壓差(MPa) |
6.4 |
6.4 |
5.2 |
5.2 |
4.6 |
4.6 |
3.7 |
3.7 |
3.5 |
3.1 |
3.1 |
2.6 |
2.2 |
| 公稱壓力(MPa) |
1.6、2.5、4.0、6.4、10.0 |
| 額定行程(mm) |
16 |
25 |
40 |
60 |
100 |
| 配用執行器型號 |
ZHA/B-22 |
ZHA/B-23 |
ZHA/B-34 |
ZHA/B-45 |
ZHA/B-56 |
| 閥蓋形式 |
標準型(-17~+250℃)、高溫型(+250~+450℃)、低溫型(-40~-196℃)、波紋管密封型(-40~+350℃) |
| 壓蓋形式 |
螺栓壓緊式 |
| 密封填料 |
V型聚四氟乙烯填料、V型柔性石墨填料 |
| 閥芯形式 |
平衡式閥芯(套筒導向) |
| 流量特性 |
直線性、等百分比 |
進口氣動套筒調節閥零部件參數
| 零部件 |
材質 |
| 閥體 |
WCB(ZG25) |
CF8(304) |
CF8M(316) |
CF3M(316L) |
| 閥座 |
304 |
304 |
316 |
316L |
| 閥芯 |
304 |
304 |
316 |
316L |
| 墊片 |
PTFE、金屬石墨纏繞墊片 |
| 閥蓋 |
WCB(ZG25) |
CF8(304) |
CF8M(316) |
CF3M(316L) |
| 密封填料 |
PTFE、柔性石墨、對位聚苯 |
| 填料壓蓋 |
304 |
304 |
316 |
316L |
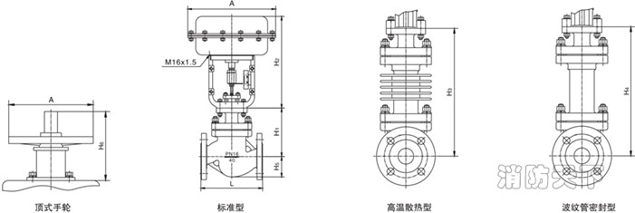
進口氣動套筒調節閥結構圖

進口氣動套筒調節閥性能參數
| 項目 |
不帶定位器 |
帶定位器 |
| 基本誤差% |
±5.0 |
±1.0 |
| 回差% |
3.0 |
1.0 |
| 死區% |
3.0 |
0.4 |
| 始終點偏差% |
氣開 |
始點 |
±2.5 |
±1.0 |
| 始點 |
±5.0 |
±1.0 |
| 氣關 |
始點 |
±5.0 |
±1.0 |
| 終點 |
±2.5 |
±1.0 |
| 額定行程偏差% |
≤2.5 |
| 泄露量L/h |
0.01%×閥額定容量 |
| 可調范圍R |
30:1
|